Российский производитель молниезащиты и заземления
Ваш город
Москва
Работаем сегодня до 18:00
  • Понедельник 9:00 – 18:00
  • Вторник 9:00 – 18:00
  • Среда 9:00 – 18:00
  • Четверг 9:00 – 18:00
  • Пятница 9:00 – 17:00
  • Суббота Выходной
  • Воскресенье Выходной
Protect-Pro
Каталог товаров
Молниезащита
Заземление
Проводники молниезащиты и заземления
Комплектующие для молниезащиты
Комплекты заземления
УЗИП
Оцинкованные трубы
    • Молниеприемные стержни
      Молниеприемные стержни
    • Мачты молниеприемные
      Мачты молниеприемные
    • Мачты серии МСАП
      Мачты серии МСАП
    • Изолированная молниезащита
      Изолированная молниезащита
    • Активная молниезащита
      Активная молниезащита
    • Держатели для мачт и молниеприемников
      Держатели для мачт и молниеприемников
    • По месту применения
      По месту применения
    • Компоненты и материалы
      Компоненты и материалы
    • Молниеприемные устройства
      Молниеприемные устройства
    • Электролитическое заземление
      Электролитическое заземление
    • Зажимы заземления
      Зажимы заземления
    • Стержни заземления
      Стержни заземления
    • Муфты заземления
      Муфты заземления
    • Головки удароприемные
      Головки удароприемные
    • Наконечники заземления
      Наконечники заземления
    • Материалы для заземления
      Материалы для заземления
    • Полоса оцинкованная
      Полоса оцинкованная
    • Круг оцинкованный
      Круг оцинкованный
    • Вертикальный заземлитель / Уголок для заземления
      Вертикальный заземлитель / Уголок для заземления
    • Грозотрос
      Грозотрос
    • Аксессуары
      Аксессуары
    • Держатели круглого проводника
      Держатели круглого проводника
    • Держатели проводника универсальные
      Держатели проводника универсальные
    • Зажимы соединительные
      Зажимы соединительные
    • Уравнивание потенциалов
      Уравнивание потенциалов
    • Комплекты модульного заземления
      Комплекты модульного заземления
    • Комплекты электролитического заземления
      Комплекты электролитического заземления
    • УЗИП класс I
      УЗИП класс I
    • УЗИП класс I+II
      УЗИП класс I+II
    • УЗИП класс II
      УЗИП класс II
    • УЗИП класс II+III
      УЗИП класс II+III
    • Трубы электросварные оцинкованные
      Трубы электросварные оцинкованные
    • Труба бесшовная оцинкованная горячедеформированная
      Труба бесшовная оцинкованная горячедеформированная
    • Труба оцинкованная для кабеля и проводов
      Труба оцинкованная для кабеля и проводов
    • Труба оцинкованная бесшовная холоднодеформированная
      Труба оцинкованная бесшовная холоднодеформированная
    • Труба оцинкованная квадратная
      Труба оцинкованная квадратная
    • Труба оцинкованная прямоугольная
      Труба оцинкованная прямоугольная
Клиентам
  • Строительным компаниям
  • Монтажным и сервисным компаниям
  • Производственным компаниям
  • Собственникам зданий, сооружений, промышленных объектов
  • Проектировщикам
  • Торгующим организациям
  • Строительным магазины и товары у дома (DIY)
  • Строительным интернет-магазинам и маркетплейсам
  • Строительным рынкам
  • Собственникам частного дома
Услуги
  • Проектирование заземления
  • Монтаж заземления
  • Проектирование молниезащиты
  • Монтаж молниезащиты
Расчет молниезащиты
  • Расчет параметров системы заземления
  • Расчет зоны молниезащиты одиночного стержневого молниеотвода
  • Расчет зоны молниезащиты двойного стержневого молниеотвода
  • Расчет зоны молниезащиты одиночного тросового молниеотвода
  • Расчет зоны молниезащиты двойного тросового молниеотвода
  • Расчет электролитического заземления
О компании
  • Новости
  • Статьи
  • Условия оплаты
  • Условия доставки
  • Гарантия на товар
  • Контакты
Ещё
    +7 (495) 488-65-26
    msk@protect-pro.ru
    Отложенные 0 Корзина0 пуста 0
    Каталог
    • Молниезащита
    • Заземление
    • Проводники молниезащиты и заземления
    • Комплектующие для молниезащиты
    • Комплекты заземления
    • УЗИП
    • Оцинкованные трубы
    Клиентам
    • Строительным компаниям
    • Монтажным и сервисным компаниям
    • Производственным компаниям
    • Собственникам зданий, сооружений, промышленных объектов
    • Проектировщикам
    • Торгующим организациям
    • Строительным магазины и товары у дома (DIY)
    • Строительным интернет-магазинам и маркетплейсам
    • Строительным рынкам
    • Собственникам частного дома
    Услуги
    • Проект молниезащиты
    • Молниезащита и заземление
    • Установка заземления
    Расчет молниезащиты
    • Расчет параметров системы заземления
    • Расчет зоны молниезащиты одиночного стержневого молниеотвода
    • Расчет зоны молниезащиты двойного стержневого молниеотвода
    • Расчет зоны молниезащиты одиночного тросового молниеотвода
    • Расчет зоны молниезащиты двойного тросового молниеотвода
    О компании
    • Компания
    • Новости
    • Статьи
    • Условия оплаты
    • Условия доставки
    • Гарантия на товар
    • Контакты
    Контакты
    +7 (495) 488-65-26
    msk@protect-pro.ru
    г. Москва, Дмитровское шоссе, д.85, БЦ «РТС», оф. 401-403
    Отложенные 0 Корзина0 0
    • Москва
      • Назад
      • Города
      • Москва
      • Санкт-Петербург
      • Воронеж
      • Краснодар
    • Каталог товаров
      • Назад
      • Каталог товаров
      • Молниезащита
        • Назад
        • Молниезащита
        • Молниеприемные стержни
        • Мачты молниеприемные
        • Мачты серии МСАП
        • Изолированная молниезащита
        • Активная молниезащита
        • Держатели для мачт и молниеприемников
        • По месту применения
          • Назад
          • По месту применения
          • Для зданий и сооружений
          • Для частных загородных домов, коттеджей и дач
          • Для кровли и крыши
          • Для труб, дымоходов, емкостей
          • Для промышленных зданий, подстанций, энергообъектов
          • Для специальных и социально-значимых объектов
          • Для коммуникаций, сетей и инженерных систем
        • Компоненты и материалы
          • Назад
          • Компоненты и материалы
          • Молниеприемные устройства
          • Проводящие элементы (токоотводы)
          • Заземляющие устройства
          • Крепеж, соединители и аксессуары
        • Молниеприемные устройства
          • Назад
          • Молниеприемные устройства
          • Пассивная молниезащита
          • Внешняя молниезащита
          • Внутренняя молниезащита
          • Стержневая молниезащита
          • Тросовая молниезащита
          • Сетчатая молниезащита
          • Молниеприемники
      • Заземление
        • Назад
        • Заземление
        • Электролитическое заземление
        • Зажимы заземления
        • Стержни заземления
        • Муфты заземления
        • Головки удароприемные
        • Наконечники заземления
        • Материалы для заземления
      • Проводники молниезащиты и заземления
        • Назад
        • Проводники молниезащиты и заземления
        • Полоса оцинкованная
        • Круг оцинкованный
        • Вертикальный заземлитель / Уголок для заземления
        • Грозотрос
          • Назад
          • Грозотрос
          • Грозозащитный трос коррозионностойкий ГТК
      • Комплектующие для молниезащиты
        • Назад
        • Комплектующие для молниезащиты
        • Аксессуары
        • Держатели круглого проводника
        • Держатели проводника универсальные
        • Зажимы соединительные
        • Уравнивание потенциалов
      • Комплекты заземления
        • Назад
        • Комплекты заземления
        • Комплекты модульного заземления
          • Назад
          • Комплекты модульного заземления
          • Комплект заземления из оцинкованной стали
          • Комплект заземления из омеднённой стали
          • Комплект заземления из нержавеющей стали
        • Комплекты электролитического заземления
          • Назад
          • Комплекты электролитического заземления
          • Вертикальное электролитическое заземление
          • Горизонтальное электролитическое заземление
      • УЗИП
        • Назад
        • УЗИП
        • УЗИП класс I
        • УЗИП класс I+II
        • УЗИП класс II
        • УЗИП класс II+III
      • Оцинкованные трубы
        • Назад
        • Оцинкованные трубы
        • Трубы электросварные оцинкованные
        • Труба бесшовная оцинкованная горячедеформированная
          • Назад
          • Труба бесшовная оцинкованная горячедеформированная
          • 102 мм
          • 108 мм
          • 76 мм
          • 89 мм
        • Труба оцинкованная для кабеля и проводов
          • Назад
          • Труба оцинкованная для кабеля и проводов
          • 102 мм
          • 108 мм
          • 89 мм
        • Труба оцинкованная бесшовная холоднодеформированная
          • Назад
          • Труба оцинкованная бесшовная холоднодеформированная
          • 10 мм
          • 12 мм
          • 14 мм
          • 15 мм
          • 16 мм
          • 18 мм
          • 20 мм
          • 21 мм
          • 22 мм
          • 24 мм
          • 25 мм
          • 26 мм
          • 27 мм
          • 28 мм
          • 30 мм
          • 32 мм
          • 34 мм
          • 35 мм
          • 36 мм
          • 38 мм
          • 40 мм
          • 42 мм
          • 45 мм
          • 48 мм
          • 50 мм
          • 51 мм
          • 53 мм
          • 54 мм
          • 57 мм
          • 60 мм
          • 63 мм
          • 65 мм
          • 68 мм
          • 6 мм
          • 70 мм
          • 73 мм
          • 76 мм
          • 8 мм
        • Труба оцинкованная квадратная
          • Назад
          • Труба оцинкованная квадратная
          • 100х100 мм
          • 100 мм
          • 10х10 мм
          • 120х120 мм
          • 12х12 мм
          • 140х140 мм
          • 15х15 мм
          • 160х160 мм
          • 180х180 мм
          • 18х18 мм
          • 200х200 мм
          • 20х20 мм
          • 250х250 мм
          • 25х25 мм
          • 300х300 мм
          • 30х30 мм
          • 40х40 мм
          • 50х50 мм
          • 60х60 мм
          • 70х70 мм
          • 80х80 мм
          • 80 мм
          • 8х8 мм
          • 15 мм
          • 20 мм
          • 25 мм
        • Труба оцинкованная прямоугольная
          • Назад
          • Труба оцинкованная прямоугольная
          • 100х40 мм
          • 100 мм
          • 100х50 мм
          • 100х60 мм
          • 120х60 мм
          • 120 мм
          • 120х80 мм
          • 160х80 мм
          • 160 мм
          • 200х10 мм
          • 200 мм
          • 20х10 мм
          • 20х15 мм
          • 25х10 мм
          • 25х15 мм
          • 28х25 мм
          • 30х15 мм
          • 30х20 мм
          • 35х15 мм
          • 40х10 мм
          • 40х20 мм
          • 40х25 мм
          • 40х30 мм
          • 45х25 мм
          • 50х25 мм
          • 50х30 мм
          • 50х40 мм
          • 60х30 мм
          • 60х40 мм
          • 60х50 мм
          • 80х40 мм
          • 80х60 мм
          • 140 мм
          • 30 мм
          • 40 мм
          • 50 мм
          • 80 мм
    • Клиентам
      • Назад
      • Клиентам
      • Строительным компаниям
      • Монтажным и сервисным компаниям
      • Производственным компаниям
      • Собственникам зданий, сооружений, промышленных объектов
      • Проектировщикам
      • Торгующим организациям
      • Строительным магазины и товары у дома (DIY)
      • Строительным интернет-магазинам и маркетплейсам
      • Строительным рынкам
      • Собственникам частного дома
    • Услуги
      • Назад
      • Услуги
      • Проектирование заземления
      • Монтаж заземления
      • Проектирование молниезащиты
      • Монтаж молниезащиты
    • Расчет молниезащиты
      • Назад
      • Расчет молниезащиты
      • Расчет параметров системы заземления
      • Расчет зоны молниезащиты одиночного стержневого молниеотвода
      • Расчет зоны молниезащиты двойного стержневого молниеотвода
      • Расчет зоны молниезащиты одиночного тросового молниеотвода
      • Расчет зоны молниезащиты двойного тросового молниеотвода
      • Расчет электролитического заземления
    • О компании
      • Назад
      • О компании
      • Новости
      • Статьи
      • Условия оплаты
      • Условия доставки
      • Гарантия на товар
      • Контакты
    Главная
    -
    Калькуляторы, расчет заземления и молниезащиты
    -Расчет электролитического заземления

    Расчет электролитического заземления

    Сопротивление грунта (Ом*м):
    Комплект электролитического заземления:
    Климатический коэффициент:
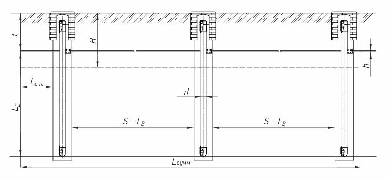
    Глубина заложения, t (м):
    Длина соединительной полосы, Lсумм (м):
    Количество заземлителей, n:

    Расчет электролитического заземления

    Сопротивление грунта (Ом*м):
    Комплект электролитического заземления:
    Климатический коэффициент:
    Глубина заложения, t (м):
    Длина соединительной полосы, Lсумм (м):
    Количество заземлителей, n:
    Удельное электрическое сопротивление грунта (Ом*м):
    Сопротивление одиночного электролитического заземлителя (Ом):
    Длина горизонтального заземлителя (м):
    Сопротивление горизонтального заземлителя (Ом):
    Общее сопротивление растеканию электрического тока (Ом):

    Расчетная схема

    Расчетные данные

    Удельное электрическое сопротивление грунта (Ом*м):
    100.00
    Сопротивление одиночного электролитического заземлителя (Ом):
    4.21
    Длина горизонтального заземлителя (м):
    10.00
    Сопротивление горизонтального заземлителя (Ом):
    66.55
    Общее сопротивление растеканию электрического тока (Ом):
    1.37
    *Формат ввода - х.хх (разделитель - точка)
    Сэкономьте время на подборе оборудования сейчас
    Оставьте ваши контактные данные и мы подберем
    за вас оборудование под ваш проект!
    +7 (495) 488-65-26 info@protect-pro.ru
    Подобрать оборудование
    Нажимая кнопку «Скачать» вы соглашаетесь на обработку персональных данные в соответствие с Политикой Конфиденциальности
    Каталог
    Молниезащита
    Заземление
    Проводники молниезащиты и заземления
    Комплектующие для молниезащиты
    Комплекты заземления
    УЗИП
    Оцинкованные трубы
    Услуги
    Проектирование заземления
    Монтаж заземления
    Проектирование молниезащиты
    Монтаж молниезащиты
    Помощь
    Условия оплаты
    Условия доставки
    Гарантия на товар
    Документы
    Политика конфиденциальности
    Карта сайта
    Статьи
    Компания
    Новости
    Статьи
    Условия оплаты
    Условия доставки
    Гарантия на товар
    Контакты
    Контакты
    +7 (495) 488-65-26
    msk@protect-pro.ru
    г. Москва, Дмитровское шоссе, д.85, БЦ «РТС», оф. 401-403
    Ваш город
    Москва
    2026 © ProtectPro - интернет-магазин российского производителя систем молниезащиты и заземления.
    Нажимая на кнопку «Подписаться на рассылку», вы соглашаетесь с политикой конфиденциальности.

    Спасибо!

    Ваш запрос отправлен.
    Мы свяжемся с вами в ближайшее время.

    Спасибо!

    Ваш запрос отправлен.
    Мы свяжемся с вами в ближайшее время.